The future of professional achievement
Quality Brilliantness

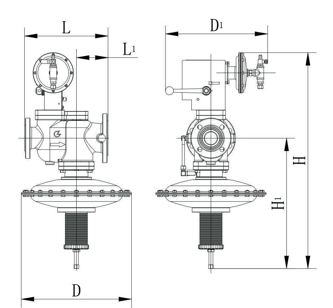
用 途
用于中低压燃气管网,可作为民用集中供气、 工业和商业供气、直燃设备供气的调压稳压设备。
适用介质
天然气、人工煤气、液化石油气及其它燃气。
技术参数
最大进口压力 P1max:0.4 MPa
进口压力范围 P1 :0.02~0.4 MPa
出口压力范围 P2 :1~50 KPa
稳压精度等级 :AC5
关闭压力等级 :SG10
工作温度t :-20~60℃
一体化超压/失压切断阀
切断精度等级 AG5 反应时间 ≤1 sec
特点
超压/失压自动切断;
可选配切断信号远传装置(防爆:Exd IICT6);
全平衡式阀芯结构,调压精度更高;
响应速度快,流通能力大;
三腔阀体出口放大,模块化结构,易于维护维修。
连接形式
法兰连接
DN50-80、DN65-100、DN80-125、DN100-150
法兰等级:PN16 法兰标准:HG/T20592-2009 连接形式
执行标准
GB 27790
